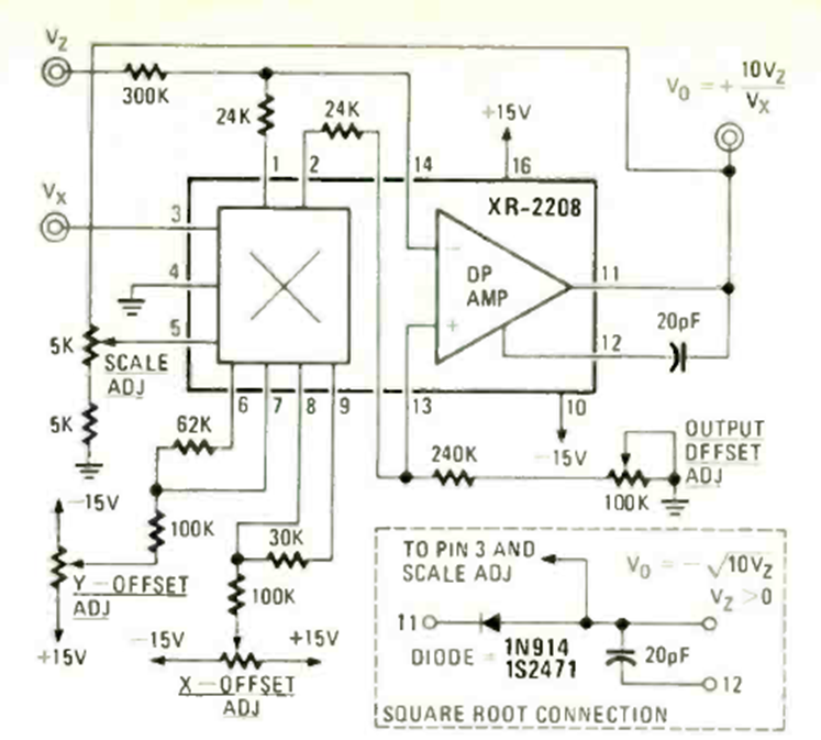
Este circuito divide el valor de una tensión por el valor de otro. El circuito utilizado en computación analógica se encontró en la revista Radio Electronics de abril de 1978. La fuente de alimentación debe ser simétrica.
Es un simple proyecto electrónico que puede convertirse en regalo o brindis que seguramente le...
Este circuito se puede ajustar para disparar y producir un sonido cuando la luz en el LDR se corta...
Esta configuración, que aparece en otros puntos de este sitio, fue encontrada en una documentación de...