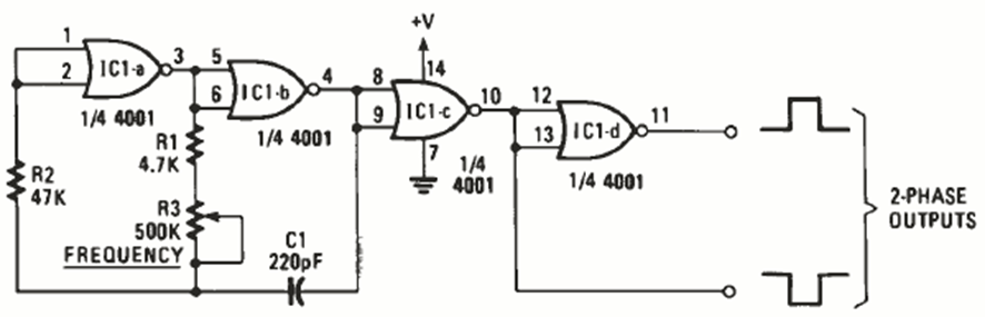
Esta es una configuración de oscilador común que genera señales rectangulares en oposición de fase. Este circuito es de una Radio Electronics de octubre de 1986.
Es un simple proyecto electrónico que puede convertirse en regalo o brindis que seguramente le...
Este circuito se puede ajustar para disparar y producir un sonido cuando la luz en el LDR se corta...
Esta configuración, que aparece en otros puntos de este sitio, fue encontrada en una documentación de...