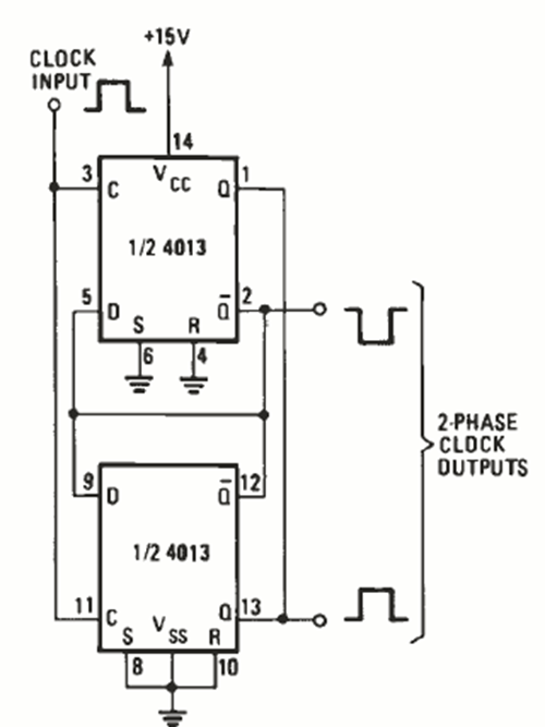
En la figura tenemos la forma de obtener relojes en oposición de fase utilizando el 4013. El circuito es de Radio Electroncs de octubre de 1986. La frecuencia máxima es de unos pocos megahertz.

En la figura tenemos la forma de obtener relojes en oposición de fase utilizando el 4013. El circuito es de Radio Electroncs de octubre de 1986. La frecuencia máxima es de unos pocos megahertz.
