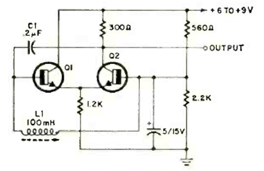
Este circuito oscilador LC con transistores acoplados a emisor se encontró en la revista Radio Electronics de mayo de 1970. La frecuencia está determinada por L1 y C1 y el valor máximo depende de los transistores utilizados.

Este circuito oscilador LC con transistores acoplados a emisor se encontró en la revista Radio Electronics de mayo de 1970. La frecuencia está determinada por L1 y C1 y el valor máximo depende de los transistores utilizados.
