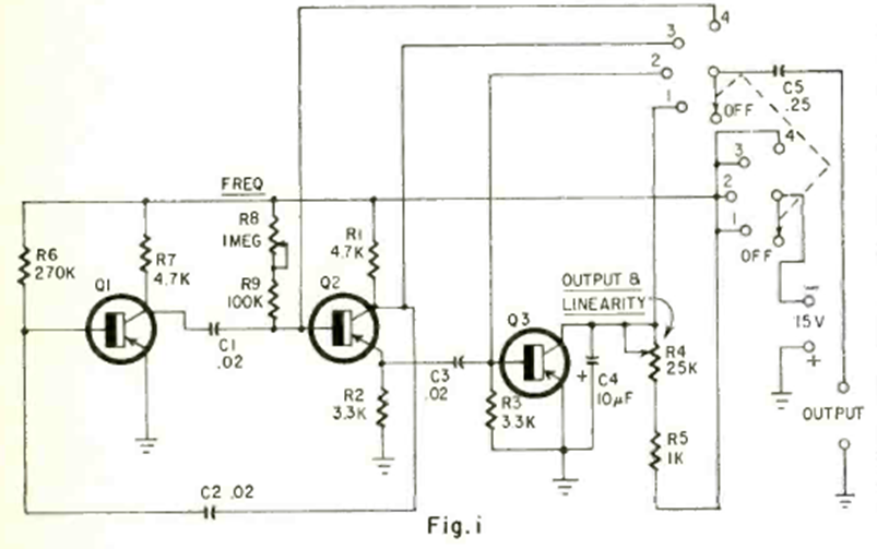
Encontramos este circuito en la revista Radio Electronics de enero de 1970. Los transistores son de propósito general y la frecuencia generada oscila entre 100 Hz y 1 kHz. Los componentes se pueden cambiar a otros rangos de frecuencia.
Los primeros radios que existieron no usaban elementos activos de ninguna especie, pues no...
Este circuito puede servir para el desarrollo de un enlace óptico de audio o incluso digital de muy...
Se presenta una prueba simple de transistores NPN y PNP que, además de decir si el componente está bien,...