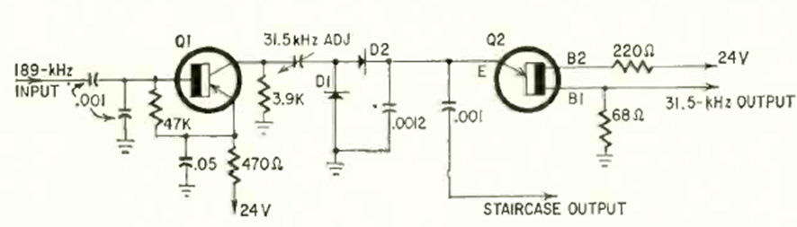
Encontramos este circuito generador de señales en forma de escalera en la revista Radio Electronics de agosto de 1966. El circuito utiliza un transistor unijuntura como base.
Los primeros radios que existieron no usaban elementos activos de ninguna especie, pues no...
Este circuito puede servir para el desarrollo de un enlace óptico de audio o incluso digital de muy...
Se presenta una prueba simple de transistores NPN y PNP que, además de decir si el componente está bien,...