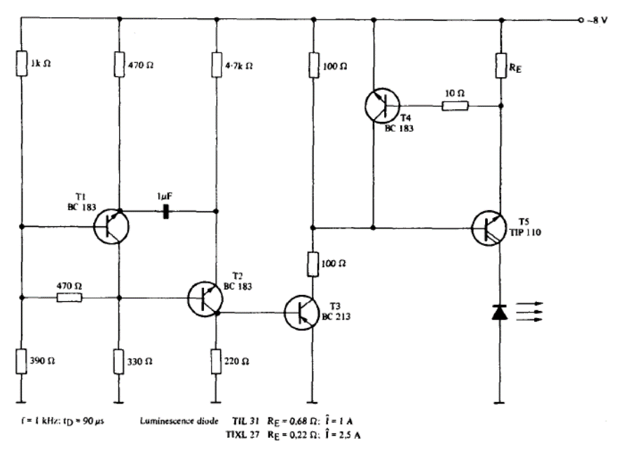
El circuito que se muestra proviene de un manual de optoelectrónica de Texas Instruments. RE depende del voltaje máximo soportado por el LED. Observe la polaridad de la fuente de alimentación. Los transistores de baja potencia pueden ser BC548 para NPN y BC558 para PNP.




