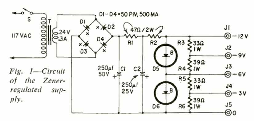
Esta fuente de alimentación de 4 voltajes mediante diodos zener tiene una corriente máxima recomendada de 25 mA. El circuito fue encontrado en la revista Radio Electronics de mayo de 1966.
Este circuito es de una antigua publicación de los años 70, pero puede ser implementado con...
Con dos amplificadores operacionales este circuito genera señales triangulares y rectangulares en...
Este circuito es de una documentación antigua, usando un operativo poco común actualmente. El diagrama...