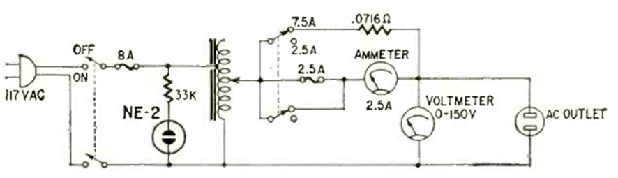
Esta es una fuente simple de tipo variac que se encuentra en la revista Radio Electronics de julio de 1962. La tensión y la corriente dependen del transformador.
El circuito de la figura hace que dos lámparas parpadeen alternativamente en una frecuencia que se puede...
Este amplificador con alimentación de 6 o 9 V se vendía en Japón en los años 60. Su potencia era de...
Este circuito de impedancia de salida de 600 ohms fue encontrado en una Radio Electrónica de...