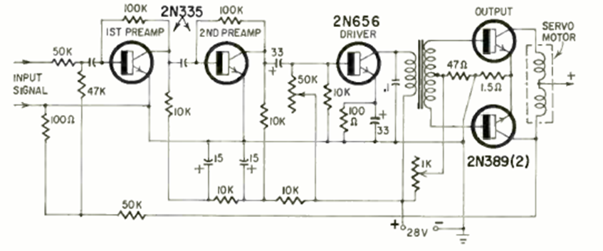
Este circuito es de una Radio Electronics de julio de 1965. El circuito utiliza componentes de la época controlando también un servo de la época. La fuente de alimentación es de 28 V.
El circuito de la figura hace que dos lámparas parpadeen alternativamente en una frecuencia que se puede...
Este amplificador con alimentación de 6 o 9 V se vendía en Japón en los años 60. Su potencia era de...
Este circuito de impedancia de salida de 600 ohms fue encontrado en una Radio Electrónica de...