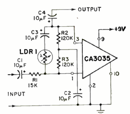
La ganancia de este amplificador está controlada por la luz que incide sobre un LDR. El circuito es de Radio Electronics de febrero de 1970. El CA3035 es un amplificador operacional RCA.

La ganancia de este amplificador está controlada por la luz que incide sobre un LDR. El circuito es de Radio Electronics de febrero de 1970. El CA3035 es un amplificador operacional RCA.
