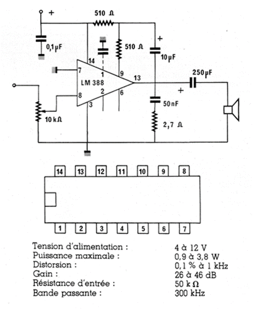
El circuito tradicional fue tomado de una revista francesa Radio Plans que ya no existe, pero aún se puede ensamblar ya que aún se puede encontrar el IC, aunque con cierta dificultad. La potencia depende de la tensión de suministro y la carga.

El circuito tradicional fue tomado de una revista francesa Radio Plans que ya no existe, pero aún se puede ensamblar ya que aún se puede encontrar el IC, aunque con cierta dificultad. La potencia depende de la tensión de suministro y la carga.
