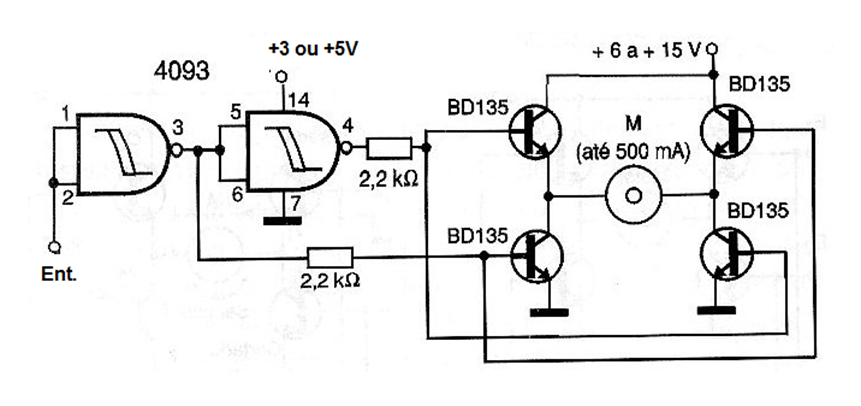
Este circuito tiene sólo dos estados posibles 1 o 0 en la entrada, con el motor girando en una dirección u otra. Para parar o colocar un comando adicional se debe utilizar, por ejemplo, un relé o transistor en serie con la fuente de alimentación. El circuito integrado debe recibir el mismo voltaje que la salida utilizada en el microcontrolador. Los transistores deben estar equipados con disipadores de calor. Se pueden utilizar transistores de corriente equivalentes más altos, como el TIP31.




