Los transistores AC128, 2N408 o 2SB439 también se pueden usar en este viejo paso de preamplificación para señales de audio. Los capacitores tienen valores típicos de 100 nF a 1 uF.

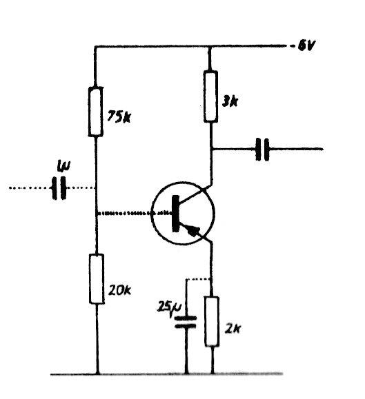
Paso de amplificación con AC171 o AC128
Los transistores AC128, 2N408 o 2SB439 también se pueden usar en este viejo paso de preamplificación para señales de audio. Los capacitores tienen valores típicos de 100 nF a 1 uF.
