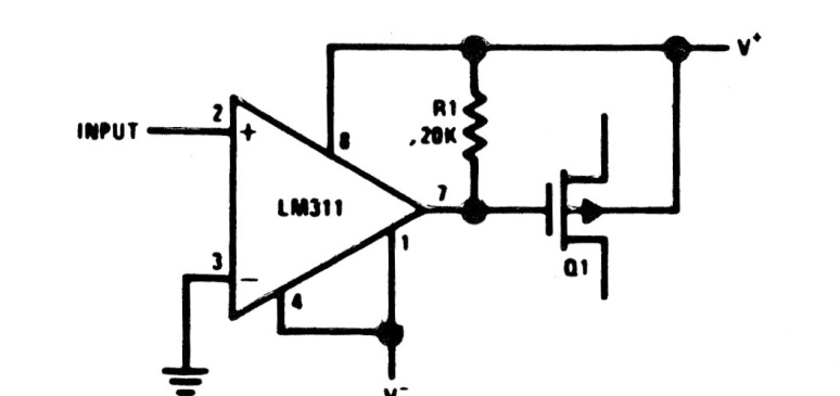
Este circuito es del propio manual del circuito integrado de los años 80. El componente no es común actualmente así como el transistor MOS usado. El circuito puede ser adaptado para aplicaciones modernas.
Aquí hay un juego interesante que se puede hacer con un transmisor de radio: un intruso...
Si usted tiene miedo de conectar los aparatos que usted mismo monta directamente en la toma, pues...
Un relé de altísima ganancia puede ser de gran utilidad en la bancada de proyecto. El circuito que...