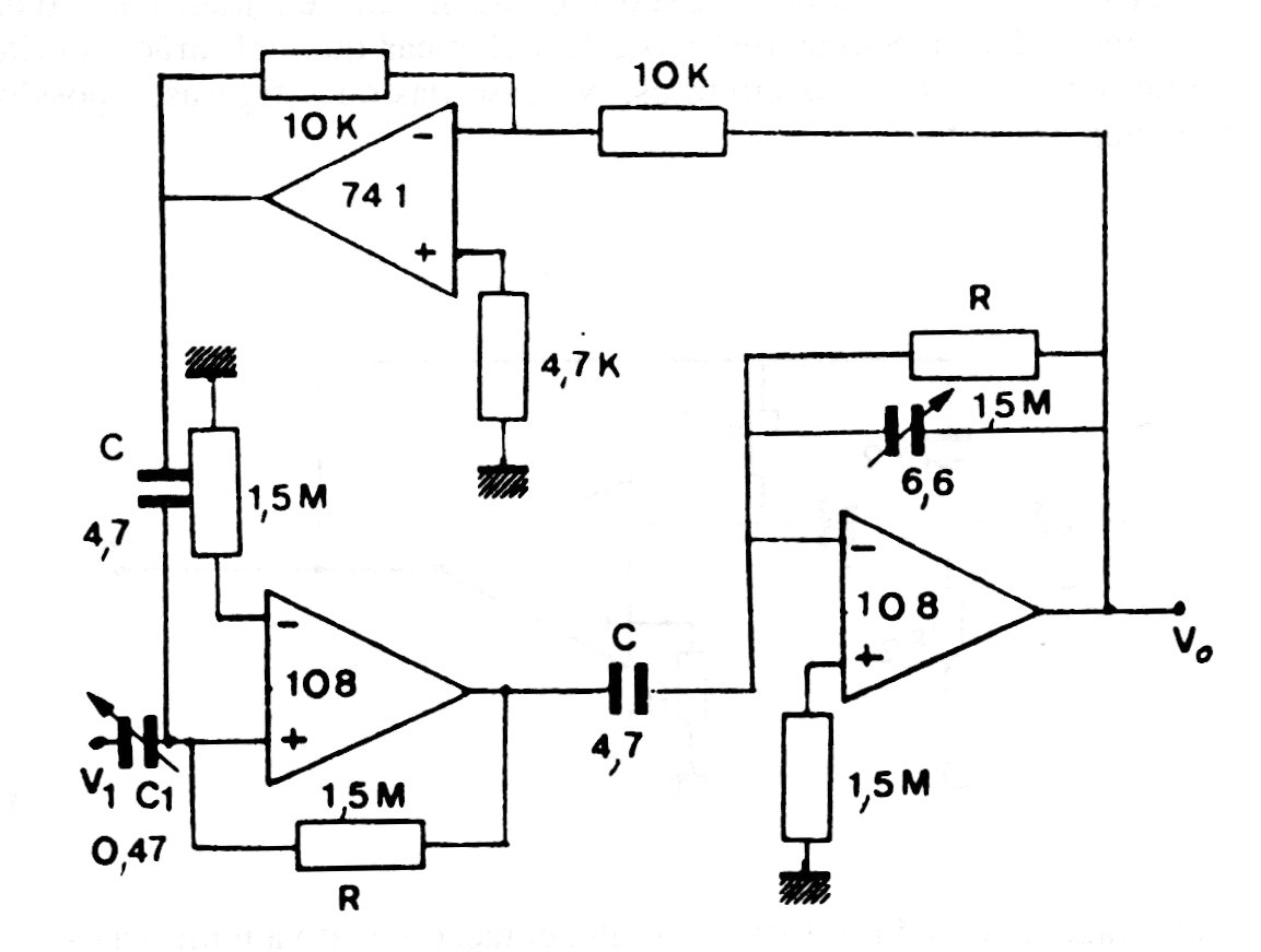
Este filtro tiene una frecuencia de corte de 0,026 Hz dada por R y C. Estos componentes se pueden calcular para otras frecuencias por la fórmula w = 1 / RC. Se pueden utilizar amplificadores operacionales equivalentes y la fuente debe ser simétrica.
Muchos proyectos que hacen uso de transistores y circuitos integrados son alimentados por una...
Este circuito enciende y apaga una carga, que en el ejemplo es una lámpara, cuando presionamos por un momento...
Esta es una de las más tradicionales experiencias de electroquímica y puede ser hecha con mucha...