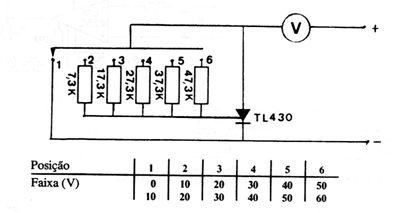
Esta configuración fuera de lo común, por el componente que usa, fue encontrada en una antigua documentación europea. La precisión depende de los resistores y las escalas se dan en la tabla junto al diagrama.

Esta configuración fuera de lo común, por el componente que usa, fue encontrada en una antigua documentación europea. La precisión depende de los resistores y las escalas se dan en la tabla junto al diagrama.
