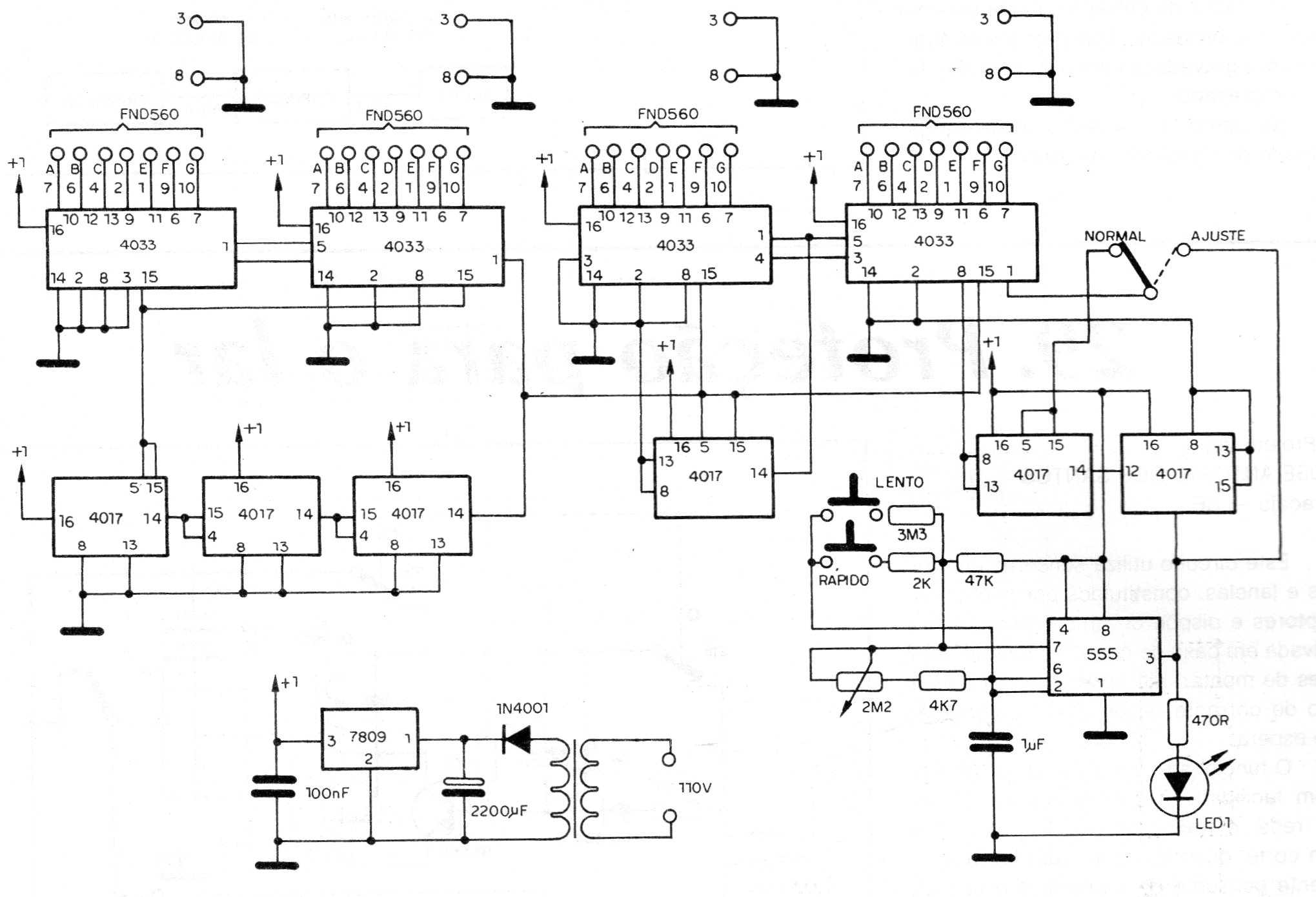
Este circuito es de una documentación de 1989. El circuito se basa en tecnología CMOS y los displays son de cátodo común. Este proyecto es indicado para los coches antiguos que utilizan platinados, sin embargo, con el uso de sensores hall y circuitos de entrada modificados se puede adaptar a los vehículos modernos.




