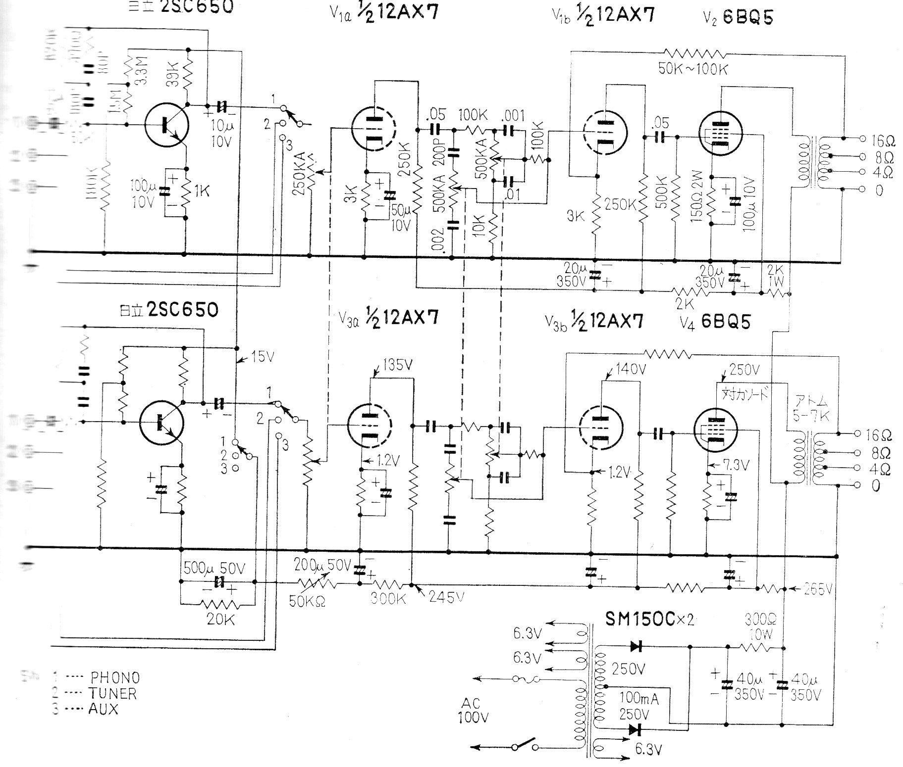
Encontramos este circuito híbrido en una publicación japonesa de 1968. Los componentes son de la época y los componentes críticos, además de las válvulas son los transformadores. El circuito incluye un control de tono tipo Baxandall.
La finalidad del circuito de la figura 1 es alimentar una carga con una corriente constante hasta 2 A a...
El amplificador operacional utilizado en este circuito no es muy común actualmente y la...
Las experiencias que involucran electricidad y química son atractivas, principalmente aquellas en las que...