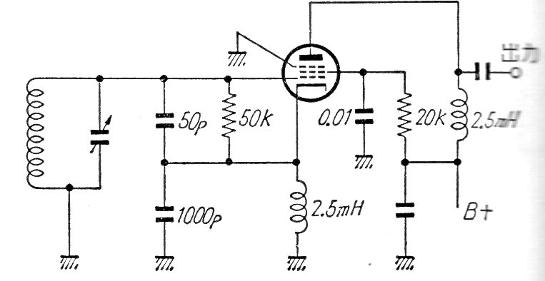
Encontramos este circuito en una documentación japonesa antigua. La bobina depende del rango de frecuencias deseado y la tensión de alimentación depende de la válvula.
Este circuito aparece en otra parte de esta sección y en este sitio web de otras fuentes. Esto es de...
Este circuito es de una publicación de 1992. Los transistores pueden ser BC549 o BC548 y la...
Este circuito para 1 kW lo encontramos en documentación de los años 90. El sensor es un termistor y se...