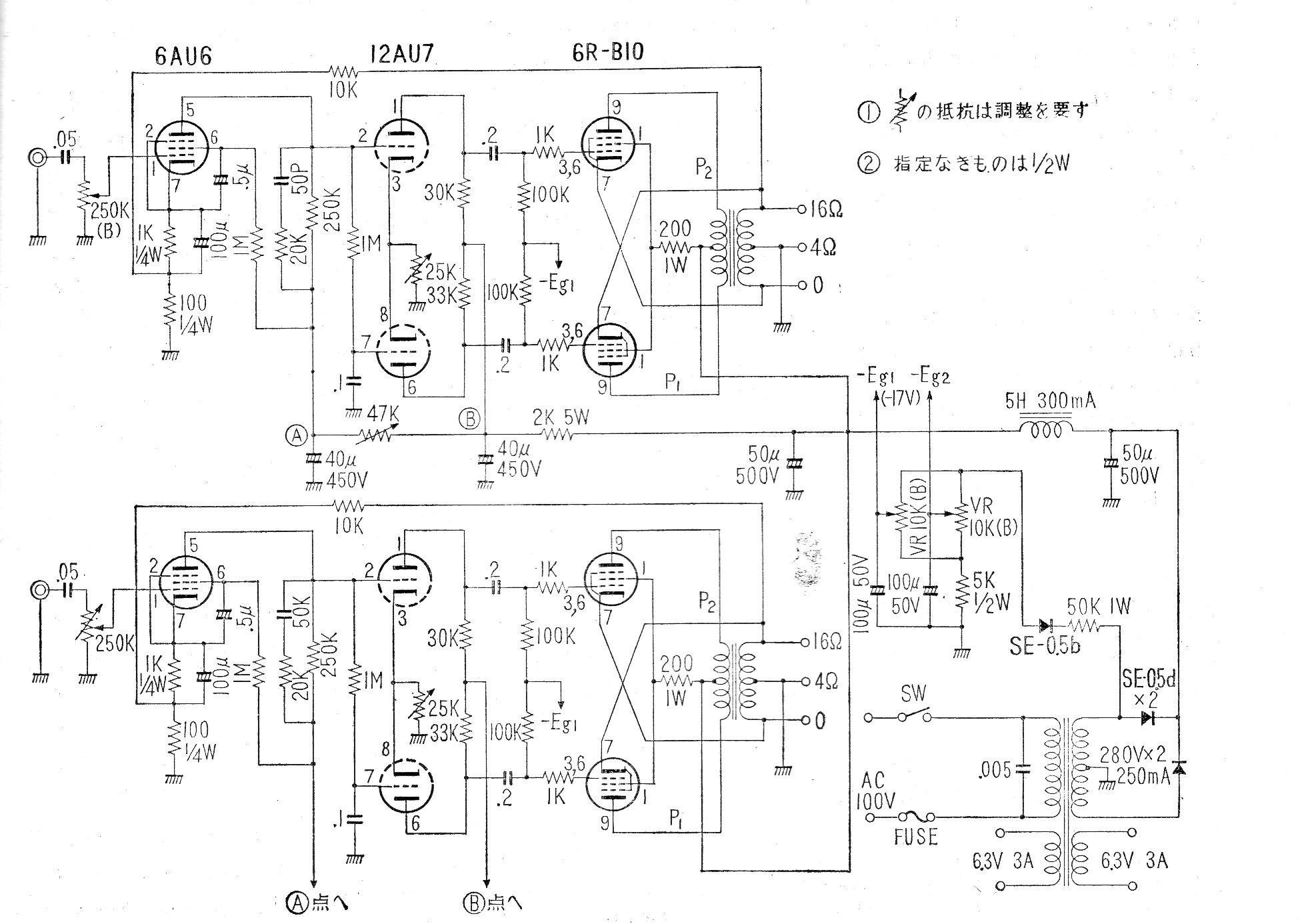
Este potente amplificador estéreo con las válvulas 6R-B10 fue encontrado en una revista japonesa de los años 60. El circuito tiene salida en push-pull clase B e incluye la fuente de alimentación. Los transformadores son los componentes críticos, además de las válvulas.




