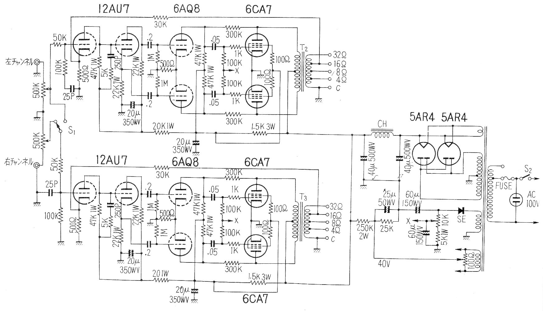
Este amplificador estéreo de 35 W por canal utiliza las válvulas 6CA7 en la salida conectadas en push-pull clase B. El circuito se encuentra en una documentación de 1961 e incluye la fuente de alimentación.
Algunos tipos de insectos que "pican" a seres humanos como pernilongos, muriçocas, mutuns, o sea...
Este circuito puede generar señales de 100 kHz a 1 MHz dependiendo de la bobina L1. Para el rango...
Cuando lanzamos por primera vez en Brasil un Micro-transmisor de FM, dando de brindis la placa de...