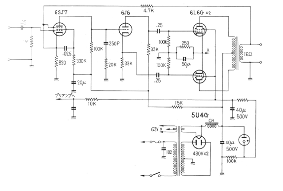
Este circuito de amplificador de audio valvulado se encontró en una revista técnica japonesa de 1961. Los componentes son comunes para la época y la fuente de alimentación se incluye en el diagrama. La salida es en push-pull con la inversión de fase hecha por válvulas. El condensador de entrada es de 0,05 uF.




