Cuando hablamos de reparación de amplificadores de audio no sólo nos referimos a los tipos completos, destinados exclusivamente a la amplificación de señales de tocadiscos, grabadores o sintonizadores. También se incluyen en esta categoría las etapas de amplificación de radios, intercomunicadores inalámbricos e incluso radioeléctricos. En este artículo vamos a discutir algunos puntos interesantes relacionados con la reparación, con el uso de 3 equipos: el inyector de señal, el multímetro y el osciloscopio.
Nota: Este artículo es antiguo, por lo que no incluye diagnósticos en amplificadores modernos como la clase D o tipos digitales. Sin embargo, como muchos amplificadores comerciales todavía utilizan configuraciones analógicas tradicionales, el artículo es importante para el profesional o aficionado que quiere hacer reparaciones a este tipo de equipos.
Un amplificador de audio consta de un conjunto de componentes que deben funcionar de forma equilibrada.
La simple ruptura de la balanza, al quemar un solo componente no sólo puede interrumpir el funcionamiento de un amplificador, sino incluso generar corrientes intensas que provocarán la quema de otros componentes.
Hay varias configuraciones para amplificadores de audio, que van desde transistores simples hasta circuitos integrados dedicados e incluso circuitos híbridos.
Con el uso de algunos instrumentos básicos, la búsqueda de problemas en estos equipos no requiere más que un poco de paciencia y un procedimiento lógico, del que hablaremos en este artículo.
Los instrumentos que pretendemos utilizar en esta búsqueda de defectos son comunes, excepto el osciloscopio, que no siempre está disponible dado su mayor coste.
El propósito de estos instrumentos, cuyos aspectos se muestran en la figura 1, puede resumirse en lo siguiente:
1. Multímetro - mide tensiones, corrientes y resistencias.
A través de estas medidas podemos probar los más diversos tipos de componentes y probar el funcionamiento de parte del circuito bajo prueba.
2. Inyector de señales
Este instrumento, el más barato de todos, consiste en un simple oscilador de audio que genera una señal de prueba que se aplicará a la entrada de amplificadores y le permite comprobar el funcionamiento de sus etapas.
3. Osciloscopio
Es un instrumento que permite la visualización de formas de onda y el rendimiento de mediciones de tensión y frecuencia.
Con él podemos probar, más plenamente, un amplificador, observando posibles distorsiones.
Es interesante usarlo junto con un generador de audio.
Por supuesto, al dar los siguientes procedimientos, suponemos que todo el mundo sabe cómo manejar los instrumentos utilizados.
MEDIDA DE TENSIÓN EN CIRCUITOS TRANSISTORIZADOS
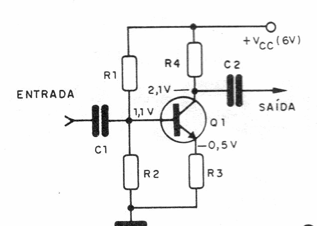
La simple medida de tensión en una etapa de amplificador le permite evaluar su estado. En la figura 2 tenemos una etapa de amplificación con un transistor en la configuración común del emisor.

Esta etapa aparece en la mayoría de los amplificadores de audio de pequeña potencia, como en los controladores y salidas de radios pequeñas, grabadoras, intercomunicadores o como un preamplificador de audio y controlador de amplificadores de mayor potencia.
Para que el transistor, que es el elemento central de la etapa, funcione correctamente, debe haber una polarización en sus elementos que lo lleve a operar en la parte lineal de su curva característica.
Esto implica colocar resistores de tal manera calculada que, sin señal, la tensión del colector está a la mitad de la tensión de energía, como vemos en el gráfico de la figura 3.
Por lo tanto, en una fuente de energía de 6 V, es común tener tensión de colector alrededor de 2 a 3 V y emisor muy por debajo, con una fracción de volt o como máximo con 1 V.
Para amplificadores con mayor tensión de potencia, las tensiones encontradas en estos elementos son proporcionalmente más altos, como sugiere el circuito en la figura 4.

La tensión base depende fundamentalmente de la tensión del emisor en este circuito.
Para un transistor de germanio NPN, la tensión base debe estar aproximadamente 0,2 V por encima de la tensión del emisor, y para un transistor de silicio también NPN la tensión estará aproximadamente 0,7 V por encima de la tensión del emisor.
En un transistor PNP las tensiones tendrán las mismas diferencias, dependiendo del tipo, pero la base estará con valor por debajo del emisor, porque la dirección de circulación de la corriente se invierte.
Los resistores alrededor de este transistor pueden sufrir varios tipos de cambios, lo que causaría un desequilibrio de funcionamiento o incluso la interrupción de la etapa.
Una primera situación se muestra en la figura 5.
El resistor R1, entre la base y la energía, cambia, aumentando su resistencia o incluso la apertura.
El resultado es una disminución de la corriente de polarización base, que conduce al desplazamiento del punto de operación, como se muestra en la misma figura.
La tensión del colector asume valores por encima de lo previsto si el resistor sólo cambia, aumentando su resistencia, pero alcanzará el mismo valor que la tensión de energía si el resistor se abre completamente.
¿Qué efecto tiene este cambio en la calidad del sonido?
Si el resistor simplemente se abre, el transistor no tiene polarización alguna y el resultado es una interrupción del sonido en este punto.
Con el inyector de señal, podemos darnos cuenta fácilmente de eso.
Al aplicar la señal al colector, va al siguiente la etapa y tenemos reproducción en el altavoz.
Sin embargo, aplicando en la base, la señal no pasa a través del transistor o pasa sin ninguna amplificación, y el resultado es muy baja o incluso reproducción nula.
Si se produce un cambio de valor, con mayor resistencia y con cierta polarización, el resultado será una fuerte distorsión en el sonido del amplificador, que se puede verificar con la ayuda del osciloscopio, como se muestra en la figura 6.
Operando en un punto por debajo del centro de la línea de carga, el transistor corta parte de uno de los semiciclos, lo que causa una fuerte distorsión de la señal.
En un amplificador o una radio transistorizada esto aparece en forma de sonido desagradable, incluso con oscilaciones o entre cortes fácilmente percibidos al comparar este sonido con el de otro radio o el amplificador en buenas condiciones.
Otra situación es la alteración o apertura del resistor R2 entre la base se molió, como se muestra en el circuito de la figura 7.
Con la alteración o apertura de este resistor tenemos el aumento de la corriente base, lo que conduce a una fuerte caída en el colector del transistor, como se muestra en la misma figura.
La tensión base puede aumentar ligeramente a medida que aumenta la tensión del transmisor si hay un resistor entre él y el suelo (R3).
El reparador puede sospechar fácilmente este problema si la tensión del colector está por debajo de lo normal y muy cerca de la tensión del emisor.
En la reproducción, los resultados serán tan malos como en el primer caso.
Habrá un cambio del punto de operación a la región operativa no lineal del transistor, como se muestra en la figura 8.
A continuación, tendremos la señal reproducida con fuerte distorsión en la salida.
La deformación se acentuará más, mayor será el cambio del resistor.
En el osciloscopio tendremos una deformación equivalente a la que se muestra en la figura 9.
Vea que, en este caso, como en el anterior, es muy importante que el reparador tenga un diagrama en el que existan los valores correctos de las tensiones en los puntos analizados, ya que esto nos permite llegar fácilmente a las conclusiones vistas.
Finalmente, en otro caso, tenemos el resistor del emisor que también puede cambiar o abrir.
En los circuitos que operan a alta potencia, como las salidas de algunos tipos de auto radios, este resistor puede sobrecargarse cuando se abre la resistor (R2) abrir o el transistor entra en corto circuito.
La fuerte corriente que circulará entre el colector y el emisor puede hacer que el resistor se queme, como se propone en la figura 10.

La tensión de este componente aumentará anormalmente, acercándose a la tensión de alimentación.
Una señal aplicada en este la etapa sufrirá un bloqueo total o una fuerte distorsión, dado el cambio del punto de operación del transistor.
Todos estos problemas suponen que el transistor está en buenas condiciones, pero y puede presentar problemas abriéndose o entrando en corto circuito.
Ambos casos llevarán a este componente a la inoperancia, lo que significa que podemos verificar esto con el uso del inyector de señal. La señal aplicada al colector pasa a la siguiente etapa y se produce su reproducción.
La señal aplicada a la base, si pasa, lo hará sin amplificación y su intensidad de reproducción será la misma obtenida cuando la apliquemos al colector.
Si no pasa, la reproducción no se produce.
Al comparar las mediciones de tensión con los resultados de esta prueba, podemos saber si el problema es la polarización o el propio transistor.
También tenemos que considerar, en estas etapas, la presencia de capacitores, como se muestra en la figura 11.
C1 acopla la etapa anterior a la base del transistor; C2 acopla la salida del transistor (Colector) a la siguiente etapa y C3 desacopla el emisor del transistor.
¿Qué sucede si estos componentes tienen problemas?
Si los capacitores se abren, lo que tendremos es la no salida de la señal o una pérdida de beneficio en los agudos, en el caso específico de C3, pero las tensiones de los transistores no cambiarán.
Las variaciones en las tensiones de polarización se producirán si los capacitores entren en corto circuitos.
En el caso de C3, en el emisor del transistor, un cortocircuito hace que la tensión del transmisor caiga, cambiando la tensión base y modificando el punto de funcionamiento del transistor en la curva característica.
El resultado es una distorsión en el sonido, que también se puede verificar con la ayuda del osciloscopio. Una fuga en este capacitor no causa muchas modificaciones de comportamiento, ya que el resistor del emisor suele ser menor que la resistencia presentada por el componente en las condiciones de escape.
Si C1 y C2 quedaran corto circuito o escape, se produce un cambio en la polarización base de los transistores. Para C1 tenemos la entrada de la etapa en cuestión y para C2 de la siguiente etapa, que debe analizarse.
Normalmente, como tenemos un acoplamiento RC del tipo mostrado en la figura 12, el C1 short es equivalente a la conexión del resistor del colector RC de la etapa anterior en paralelo con R1.
Por lo tanto, la corriente base aumenta, llevando al transistor al sector no lineal de su característica.
En consecuencia, tenemos una amplificación pobre, con una fuerte distorsión.
TENSIONES EN SALIDAS COMPLEMENTARIAS
La etapa anterior, que opera en la clase A, presenta la posibilidad de una amplificación del ciclo de señal completo. Sin embargo, funciona con una corriente de reposo relativamente alta, lo que limita su uso a circuitos de baja potencia.
En los circuitos de alta potencia, hacemos polarización de clase B o C, de modo que tenemos un mayor rendimiento con una corriente de reposo muy baja, pero a cambio, necesitamos dos transistores para cada uno para amplificar una señal semiciclo.
Los tipos comunes de salida, donde esto ocurre, se muestran en la figura 13 y corresponden a los circuitos push-pull y output en la simetría complementaria.
Inicialmente estamos interesados en la salida en simetría complementaria que aparece en la mayoría de los amplificadores de audio de alta fidelidad con una potencia superior a 1 W.
La salida Push-pull y ahora se limita a radios y grabadoras transistorizadas, cuya potencia no supera 1 W.
En la polarización base de los transistores de salida tenemos un resistor (R1), dos diodos y un transistor (Q1). El transistor debe polarizarse de tal manera que tenga más o menos la misma resistencia que Q1.
Esto se logra conectando el resistor base (R2) al punto medio correspondiente a la juntura de los transistores NPN y PNP, donde tenemos una tensión equivalente a la mitad de la fuente de energía, como se muestra en la figura 14.

Los dos diodos funcionan como reguladores, distribuyendo la corriente entre las bases, porque corresponden precisamente a los dos cruces entre la base del emisor que existen en los transistores de salida.
Las tensiones típicas, en una etapa de este tipo, se muestran en la misma figura, observando la corriente de reposo baja.
El transistor del conductor (Q1) puede variar su resistencia entre el colector y el emisor dependiendo de los dos semiciclos de la señal de entrada, ya que está polarizado en la clase A.
Cuando tenemos el semiciclo positivo de la señal de entrada, su resistencia colector-emisor disminuye y el transistor PNP de la salida se polariza en el sentido de aumentar su conducción.
La tensión cae en el punto X del diagrama, lo que hace que el capacitor electrolítico se descargue a través del altavoz, con la reproducción de la señal.
Cuando tenemos el semiciclo negativo de la señal de entrada, su resistencia colector-emisor aumenta, con la acción del resistor R1 prevaleciendo, lo que hace que el transistor NPN de salida conduzca más intensamente.
El capacitor de salida C1, aumentando la tensión en sus armaduras, se carga a través del altavoz, con una fuerte corriente que reproduce la señal original (figura 15).
Como podemos percibir, este es una etapa que funciona en un equilibrio crítico. Los circuitos antiguos pueden utilizar en la estabilización del punto de operación un trimpot, o incluso un termistor, entre las bases de los transistores.
En circuitos de alta potencia, podemos tener un transistor, que reduce la corriente de reposo por su acción en contacto con el radiador de calor de los transistores de potencia.
Funciona como una protección térmica eficiente en circuitos de más de 20 W, como se muestra en la figura 16.
Factores tales como funcionamiento prolongado, tensión excesiva, mala ventilación, pueden desequilibrar este circuito, causando graves problemas de funcionamiento.
Las dos primeras posibilidades de problemas consisten en la apertura de R1 o de lo contrario la apertura o corto circuito del transistor del conductor.
En el primer caso, predomina la acción del transistor Q1 (conductor) y, con esto, la salida PNP del transistor conducirá más intensamente, cambiando el equilibrio de la etapa, que reproducirá la señal con fuerte distorsión, ya que sólo un semiciclo puede pasar.
Una comprobación del osciloscopio, reemplazando el altavoz por una carga resistiva, muestra lo que ocurre (figura 17).
Cuando Q1 se queda corto circuito, el efecto es el mismo, mientras que su apertura hace que el transistor NPN conduzca más intensamente, distorsionando el otro semiciclo de la señal aplicada.
Sin embargo, el desequilibrio puede tener consecuencias más graves.
Uno de ellos es la circulación de corriente fuerte por los colectores de los transistores de salida, causando su quema, y los resistores del emisor.
De hecho, en este tipo de circuito, los resistores del emisor representan fusibles verdaderos, se abren cada vez que se produce una sobrecarga o desequilibrio. Con la medida de las tensiones, podemos descubrir fácilmente el desequilibrio, pero debemos tener en cuenta que puede tener varios orígenes y que todos deben analizarse.
En una etapa como la figura 18, en la que el equilibrio es más crítico debido a la presencia de 4 transistores, la atención en el descubrimiento de problemas es aún mayor.
Una fuerte distorsión y una corriente de reposo anormalmente alto indican que los resistores o transistores están en problemas. El cambio de las características de estos componentes conduce a cambios radicales en las tensiones en todos los puntos del circuito.
La quema de los transistores de salida, tan pronto como se enciende el amplificador, es una advertencia de que el desequilibrio existe. Lo transistores driver deben retirarse y analizados, así como el controlador, ya que todos pueden ser la fuente del problema.
Una fuente importante de problemas, en este tipo de circuito, y que no debe olvidarse, es el acoplamiento electrolítico sí mismo al altavoz. El altavoz representa una resistencia prácticamente nula al paso de corrientes continuas.
Una entrada en corto circuito del capacitor significa llevar el punto X de la figura 16 a 0 V, y con eso, las fuertes corrientes pueden tener un corto circuito el transistor NPN causando su quema y el resistor del emisor.
Si, al encender el amplificador, este transistor se quema y el resistor también, apague el altavoz y pruebe el capacitor electrolítico.
CIRCUITOS INTEGRADOS E HÍBRIDOS
Cuando un equipo utiliza un amplificador de potencia integrado o híbrido, no podemos acceder directamente a las etapas de amplificación, pero tomar medidas externas nos ayuda a llegar a una conclusión de lo que sucede.
La figura 19 muestra un amplificador híbrido, señalando que la mayoría de los componentes externos consisten en desacoplamiento de capacitores de acoplamiento y resistores que influyen en la beneficio o determinación de la respuesta en frecuencia.

No siempre un mal funcionamiento se debe a la falla de la propia integrada, pero a veces a los propios componentes externos. Para trabajar con este tipo de circuito, primero debe tener un diagrama, en el que hay las tensiones correctas en cada pino.
Al encontrar tensiones anormales en los pinos, compruebe primero que los componentes asociados no son la causa del problema. Levante, por ejemplo, el terminal del electrolítico o resistor conectado al pasador y compruebe que no está abierto, corto circuito o alterado.
Si todos los componentes están buenos, pero las tensiones permanecen alteradas, realmente podemos sospechar que el problema está en el circuito integrado.
Un problema que se produce con equipos antiguos, importados o fuera de línea, y la quema de un integrado que ya no se fabrica o es difícil de encontrar.
Para casos como este, que se producen en radios, reproductores de cintas, receptores, etc., una solución interesante es la adaptación. Partiendo de componentes comunes en el mercado y teniendo la misma potencia y tensión de potencia que el original, podemos usarlo en una etapa paralelo, como se muestra en la figura 20.
A continuación, desactivamos el circuito de salida original que está en problemas y eliminamos la señal de su entrada a un amplificador paralelo, alimentado por la misma fuente.
Muchos equipos tienen suficiente espacio para instalar la nueva placa en el propio conjunto, pero si esto no es posible, el nuevo amplificador puede ocupar una caja separada.


















