Sin duda, después del multímetro, en el análisis de un amplificador, el segundo instrumento en importancia es el inyector de señales.
Este artículo es de una publicación nuestra de 1986, sin embargo es todavía actual por las técnicas que enseña. Se trata de un artículo de utilidad para quien desea reparar o recuperar equipos de la época. Los artículos que siguen este e incluso algunos anteriores proporcionan técnicas de la misma época para la reparación de estos equipos.
En la figura 1 tenemos la apariencia y el diagrama de un inyector de señales típico que el lector puede montar. (Si desea, en artículos del sitio de esta serie damos el proyecto completo de un inyector de señales).

Este inyector consiste en un simple oscilador del tipo multivibrador que opera en la banda de audio, alrededor de 1 kHz generando una señal de potencia suficiente para excitar la mayoría de los pasos de los amplificadores de audio.
Sólo no se recomienda la inyección en la etapa excitadora y de salida de amplificadores de más de 20 vatios, pues en este caso, no tendrá condiciones de hacer la excitación en niveles apropiados a una buena reproducción, incluso en un amplificador en buen estado.
La señal del inyector se aplica inicialmente a la entrada del amplificador, como se muestra en la figura 2.

La punta de prueba va en directo de la entrada (terminal de volumen del potenciómetro o jack de entrada).
La garra jacaré va al chasis o negativo de la fuente de alimentación.
En un amplificador, podemos hacer la división por etapas, como muestra la figura 3.

Comenzamos entonces aplicando la señal de entrada hacia el altavoz.
Si no hay reproducción, pasamos al paso siguiente, que es el de preamplificación y así sucesivamente hasta el punto en que ocurre el funcionamiento normal del aparato.
Cuando esto sucede, la etapa anterior es ciertamente la causa del problema, debiendo ser analizada.
Otro procedimiento consiste en inyectar la señal del paso de salida hacia la entrada. En el punto en que deja de haber la reproducción de la señal, habremos llegado a la etapa que presenta problemas.
Para utilizar el inyector de señales en otros equipos de audio, el procedimiento es similar.
Recordamos que los grabadores, los tapones, los mezcladores, los ecualizadores, son todos formados por los circuitos de amplificador de audio en su base.
En los aparatos en los que no hay amplificación de potencia, como tape-decks, se debe utilizar un circuito externo para monitorear la prueba, de ahí sugerir que todo técnico debe disponer de un amplificador de prueba de buena calidad, no preocupándose en último análisis con su potencia.
Recordamos también que los aparatos estereofónicos están formados por dos canales independientes de funcionamiento en la amplificación de señales.
Así, la operación de sólo uno de los canales ya es un indicativo que el problema se encuentra en la parte de amplificación. El no funcionamiento de los dos canales es síntoma que una etapa común se encuentra con problemas como, por ejemplo, la fuente de alimentación.
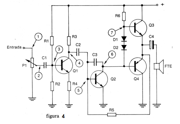
La inyección de señales en cada etapa de audio debe realizarse en los puntos indicados en la figura 4.

Inyectamos las señales en la base y en el colector de cada transistor, eventualmente emisor si la configuración es la de colector común.



