Hay muchos amplificadores de audio disponibles en forma de circuitos integrados, que se encuentran en aparatos comerciales, como los LM380, TBA820, TBA810, etc.
Estos integrados están formados por un amplificador completo en envoltura a veces de potencia, y sólo los capacitores y algunos resistores externos son necesarios (fig 1).

Podemos encontrar integrados de este tipo en la salida de receptores de radio modernos, tocadiscos y amplificadores de diversos tipos con potencias en el rango de 1 a 50 vatios.
La prueba debe partir de la suposición que una señal de audio aplicada en su entrada debe salir aumentada en su salida, en un altavoz.
Así, verificado que los capacitores conectados a este amplificador, así como los resistores y altavoz, están en buenas condiciones, y 'la alimentación también se encuentra correcta, si la señal aplicada no es reproducida convenientemente sólo queda el integrado como causante de problemas .
Como no es posible abrir un integrado para sustituir eventuales componentes del circuito que estén mal, aprovechando los buenos, sólo queda al técnico hacer el cambio. Sin embargo, esta debe ser hecha exactamente por uno del mismo tipo, ya que las equivalencias en materia de integrados son bastante problemáticas, debiendo ser evitadas al máximo.
b) Radios
Muchos radios modernos, tanto de AM como de FM, utilizan circuitos integrados que forman la parte mezcladora y amplificadora de FI de manera completa. Sólo las bobinas y algunos componentes externos son necesarios para completar el circuito que, de este modo, elimina el uso de transistores individuales.
Recordamos que los transistores continúan presentes, pero en forma integrada, formando parte de un circuito más complejo.
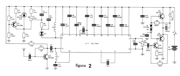
Un circuito típico es el que hace uso del TDA7000, mostrado en la figura 2.

Este circuito forma un receptor completo de FM que tiene en su salida la señal de audio listo para su aplicación en un amplificador. El amplificador puede utilizar transistores comunes o un segundo circuito integrado.
Como podemos ver por el circuito típico, tenemos sólo dos bobinas de la sintonía y osciladora, no siendo necesario ningún ajuste. Todos los componentes externos son capacitores y pocos resistores.
En circuitos de este tipo la sintonía puede ser hecha por medio de varicaps. Los varicaps son diodos que cambian de capacitancia, como un capacitor variable, cuando cambiamos la tensión inversa en ellos aplicada. Podemos entonces variar esta capacitancia con la ayuda de un potenciómetro que pasa a ser el componente responsable por la selección de las estaciones (fig.3).

En este circuito, la prueba consiste en la aplicación de la señal del inyector en la antena.
Si no es posible detectar, con el seguidor de señales, la señal en la salida de audio junto al potenciómetro de volumen, y todos los componentes conectados al integrado están en buen estado, entonces no queda otra alternativa que sustituir el propio integrado.
c) Reguladores de tensión
Los reguladores de tensión integrados más comunes son de la serie 78XX o 79XX, donde 0 "XX" puede ser un número cualquiera que indica su tensión de salida. Por ejemplo, el 7805 es un integrado que proporciona 5 V de voltaje de salida regulados (fig 4).

La prueba de estos integrados es simple: aplicando en la entrada una tensión 20% a 50% mayor que la tensión de salida, en la salida debe ser obtenida a. tensión esperada. Si esto no ocurre es porque el circuito regulador debe ser reemplazado.
Los de la serie 78 son reguladores positivos de tensión, mientras que los de la serie 79 son reguladores negativos.



