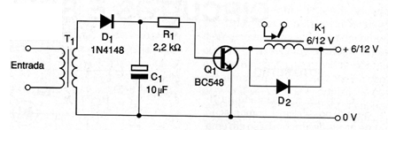
El circuito mostrado en la figura 1 se puede conectar a la salida de un amplificador de audio o de un receptor de FM o AM disparando un relé con señales diferentes.
El aumento del volumen del sonido, un tono de audio o cuando alguien habla delante de un micrófono hace que el relé cierre los contactos.
El relé utilizado puede ser de 6 o 12 V con corriente de hasta 50 mA, y el condensador de 10 uF se obtiene experimentalmente en función del tono de audio que debe accionar el circuito.
La alimentación se puede realizar con pilas comunes o con una fuente.
Cuando se utiliza un receptor de AM o FM, podemos aprovechar la señal de un transmisor para hacer un sistema de control remoto de un canal.
Todas las veces que la señal sea capturada, el tono de audio hará que el relé cierre sus contactos.
La tensión de alimentación de este circuito depende sólo del relé usado y en la condición de espera (sin señal) el consumo es muy bajo.

En la figura 2 tenemos una sugerencia de placa de circuito impreso para el montaje de este relé.

El transformador utilizado puede ser cualquiera que tenga un devanado de baja impedancia de entrada y un devanado de al menos 1 k ohms para excitación del circuito.
Un transformador de alimentación con primario de 110 V y secundario de 3 a 6 V y corriente en el rango de 50 mA a 300 mA sirve.
La bobina de baja tensión se utiliza como bobina de entrada.
Lista de material
Q1 - BC548 o equivalente - transistores NPN de uso general
D1, D2 - 1N4148 o equivalentes - diodos de uso general
K1 - Relé sensible de 6 o 12 V (50 mA de bobina)
T1 - Transformador - ver texto
C1 - 10 uF x 12 V - capacitor electolítico
R1 - 2,2 k ohms x 1/8 W - resistor - rojo, rojo, rojo
Varios: hilos, soldadura, placa de circuito impreso, etc.



