El movimiento de brazos mecánicos, robots y otros automatismos estudiados en mecatrónica se obtiene a través de motores silenciosos.
En una demostración puede ser interesante tener algún tipo de efecto sonoro que imite el ruido de un motor de forma más fuerte, para dar más realismo al funcionamiento de dichos dispositivos.
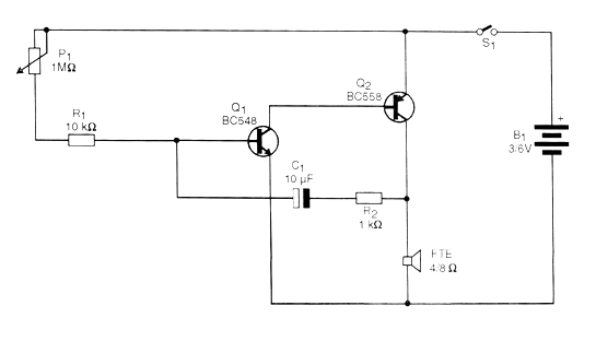
El circuito que proponemos es sencillo y puede ser alimentado con tensiones de 3 a 6 volts.
El rendimiento del circuito es muy bueno y el pequeño altavoz se puede incrustar en el automatismo o instalado en una cajita apropiada.
El circuito tiene además un ajuste de frecuencia que sirve como acelerador para el efecto y que puede quedar al alcance del operador o incluso ser acoplado a algún dispositivo de accionamiento automático.
Básicamente el proyecto consiste en un oscilador donde la frecuencia tanto es determinada por C1 (que puede ser alterado) como por el ajuste de P1 (que funciona como "acelerador").
En la figura 1 tenemos el diagrama completo de este aparato.

En la figura 2 mostramos la disposición de los componentes en un puente de terminales que es la versión más simple y más inmediata principalmente para los principiantes.

Los transistores admiten equivalentes e incluso Q2 puede ser un BD136 o TIP32 y el circuito alimentado con 12 V para mayor potencia.
En este caso, sin embargo, la alimentación debe venir de fuente o batería, ya que un simple conjunto de pilas no podría proporcionar la energía requerida.
El altavoz puede ser de 5 a 10 cm con 4 ó 8 ohms de impedancia.
Los resistores son de 1/8 W o mayores y el electrolítico es para 12 V.
Para probar el aparato es sólo conectar su alimentación. Deben ocurrir chasquidos en mayor o menor velocidad conforme ajustamos el potenciómetro.
Realice el ajuste para obtener el sonido equivalente a un motor.
Comprobado el funcionamiento es sólo instalar el conjunto en una caja y usar el aparato de la mejor manera, embutiéndolo en su montaje de robótica o mecatrónica o donde quiera.
LISTA DE MATERIAL
Q1 - BC548 o equivalente - transistores NPN de uso general
Q2 - BC558 o equivalente - transistores PNP de uso general
FTE - 4 ó 8 ohms - Altavoz pequeño
S1 - Interruptor simple - opcional
B1 - 3 o 6 voltios - 2 o 4 pilas - ver texto
P1 - 1 M ohms - potenciómetro
R1 - 10 k ohms - marrón, negro, naranja
R2 - 1 k ohms - marrón, negro, rojo
C1 - 10 uF / 12 V - condensador electrolítico
Varios:
Puente de terminales, caja para montaje, soporte para dos o cuatro pilas (opcional), botón para el potenciómetro, hilos, soldadura, etc.



